
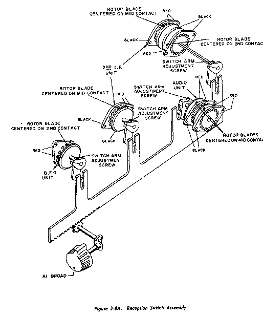
All the FRR/MRR/SRR series receivers use switch arms (also called crank arms in some parts of the manual) to connect the switches in the modules to notched bars driven by the mode and band switches. Gears are used to translate the rotary motion of the front panel switches to "fore-and-aft" motion of the notched bars. The switches in individual modules are mounted perpendicular to the front panel, and switch arms are used to translate the "fore-and-aft" motion of the notched bar back to rotary motion for the switches.
Here are some more images showing the switch arms:
The switch arm adjustment screws (allen heads) are used to tighten the switch arms onto the round switch shafts. And they do come loose, and must be tightened periodically. In the old days, these parts must have been flexible and springy, but after more than 40 years they have become brittle. Tightening the adjustment screws these days is likely to cause the switch arm to fracture.
So what's the big deal, you ask? The switch arms are absolutely essential for proper operation of the receiver. Switch arms appear to be the #1 repair item needed by the FRR/MRR/SRR user community. Unlike tubes and other electronic components used in commercial or entertainment radios of that era, the switch arms appear unique to these radios.
Luckily, Joe Bartolick has stepped to the plate and figured out how to make new switch or crank arms. Click HERE to see how!